C&K JX-60 X Axis Manual Stage Optical parts in Stock
Product Parameter List
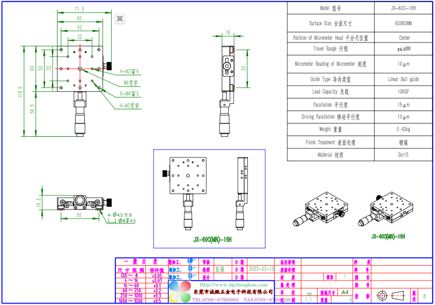
| Model NO. | JX-60 |
| Surface Size | 60*60mm |
| Position of Micrometer Head | Left/ Right/ Center |
| Minimum Reading of Micrometer | 10μm |
| Guide Type | Linear Ball Guide |
| Load capacity | 12kgf |
| Parallelism | 15μm |
| Driving Parallelism | 10μm |
| Weight | 0.43kg |
| Material | Steel |
| Finish Treatment | Electroless Nickel Plating |
Describe
The C&K JX-60 series of manually adjustable tables are high-precision positioning devices designed specifically for optical instrument systems. The frame is made of high-quality steel, with a surface treated with electroless nickel plating. This combination ensures structural rigidity, dimensional stability, and resistance to wear and corrosion, allowing for long-term use with high precision. The worktable dimensions are 60mm × 60mm, and the overall weight of the device is 0.43kg. Its lightweight design makes it ideal for applications such as precision optical testing, scientific research, and optical component assembly.
The device features standard M6 threaded holes, allowing for external connection of extended rotary knobs for precise adjustment over long distances. It also incorporates high-precision crossed roller guides for smooth operation without any jerks or vibrations. Along with a 10-micron precision scale, it enables micro-level fine adjustments, meeting the demands of high-precision optical positioning. The device can handle a load of up to 12 kgf, demonstrating excellent load-bearing capacity. It can be customized through OEM/ODM processes and can also be laser-etched.
It has passed ISO certification and complies with French and German EPR environmental packaging standards. It meets all requirements for export to overseas markets. Produced by a leading domestic precision machinery manufacturer, this product is primarily sold in high-end scientific and industrial instrument markets in South Korea and Japan. Its superior quality has earned it long-term trust from customers worldwide.
1.Are you the direct manufacturer or a trade company?
A: We are a manufacturer. All of our products are manufacturing in Dongguan City, Guangdong Province, in China. Welcome to visit us!
2. What’s your advantage?
A : We are China and South Korea joint venture. We cooperate technology and share information with MENTOR T&C company from South Korea since 2018.
3.Can you give warranty of your products?
A:All products are inspected for quality before shipment. We provide 1-year warranty for each product. The shipment report will be attached to the product shipment.
4.What’s your after-sell service?
A: Since 2019, we promise to our customers the “24H on-site to solve problems(China Only)” and “48H reply solution” service(For foreign country). Please feel free to contact with us.
5.How about the delivery time?
A: Most of the products are in stock, small orders and samples can be shipped within 3-8 working-days. For large orders, please confirm the delivery date with the customers service.
6.What’s the MOQ? May I get samples, first?
A: For “ready to ship”, sample is available. So the MOQ is 1 piece /1 set. For customization, we need to discuss more details. The final quotation is according to receiving full description of the products you want, size, material, quantity and so on.
7.Can I add my own logo?
A: Sure. Just provide an AI file or picture of your company logo, then we can make a laser logo for you.




Download as 2D
Download as 3D




