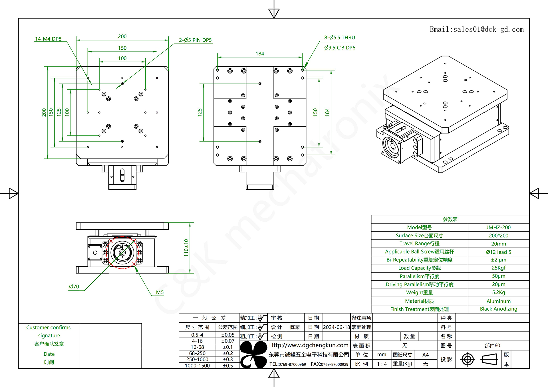
C&K JMHZ-200 Z Axis Motorized Stage Horizontal adjusted
Product Parameter List
| Model | JMHZ-200 |
| Surface Size | 200*200 |
| Travel Range | 20mm |
| Applicable Ball Screw | Ø12 lead 5 |
| Bi-Repeatability | ±2 μm |
| Load Capacity | 25Kgf |
| Parallelism | 50μm |
| Driving Parallelism | 20μm |
| Weight | 5.2Kg |
| Material | Aluminum |
| Finish Treatment | Black Anodizing |
Describe
The electric slide table JMHZ-200 is a precision lifting device that focuses on large tabletops and high load capacity. It is specially designed to meet the heavy-load lifting requirements in the horizontal direction, and is suitable for applications such as industrial automation lines, heavy-duty fixture positioning, and precision inspection equipment integration.
The core performance advantages of this slide table are outstanding: it is equipped with a 200×200mm large-sized load-bearing tabletop, which can easily accommodate various large-volume fixture tools and inspection workpieces; the maximum load capacity is up to 25kg, capable of stably supporting heavy-load operations; the horizontal lifting travel is precisely set at 20mm, combined with a high rigidity transmission structure, during operation, the parallelism performance is excellent, effectively ensuring the stability and positioning accuracy of load lifting.
Compared with manual adjustable slide tables, JMHZ-200 adopts an electric drive mode, eliminating the need for manual operation by humans. The adjustment process is more convenient and faster, significantly saving labor costs, truly achieving worry-free and effortless automated operations, providing reliable support for efficient production and precise operations.
1.Are you the direct manufacturer or a trade company?
A: We are a manufacturer. All of our products are manufacturing in Dongguan City, Guangdong Province, in China. Welcome to visit us!
2. What’s your advantage?
A : We are China and South Korea joint venture. We cooperate technology and share information with MENTOR T&C company from South Korea since 2018.
3.Can you give warranty of your products?
A:All products are inspected for quality before shipment. We provide 1-year warranty for each product. The shipment report will be attached to the product shipment.
4.What’s your after-sell service?
A: Since 2019, we promise to our customers the “24H on-site to solve problems(China Only)” and “48H reply solution” service(For foreign country). Please feel free to contact with us.
5.How about the delivery time?
A: Most of the products are in stock, small orders and samples can be shipped within 3-8 working-days. For large orders, please confirm the delivery date with the customers service.
6.What’s the MOQ? May I get samples, first?
A: For “ready to ship”, sample is available. So the MOQ is 1 piece /1 set. For customization, we need to discuss more details. The final quotation is according to receiving full description of the products you want, size, material, quantity and so on.
7.Can I add my own logo?
A: Sure. Just provide an AI file or picture of your company logo, then we can make a laser logo for you.






Download as 2D
Download as 3D

